✨Loa rời Sub từ Neo 5 Tấc B&C SPEAKERS - ITALIA 18NBX100 ( 1 cái)– Hàng Chính Hãng
Mua tại Shopee
Mua tại Tiki
Mua tại Lazada
Mua tại TiktokLOA RỜI SUB 5 TẤC B&C
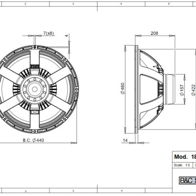
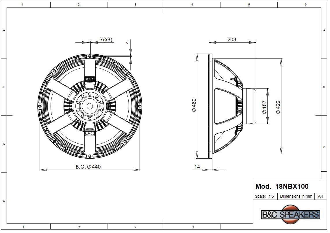
Xuất xứ : ITALIA
Voice coil bằng đồng khổ lớn 4" (100mm) với chiều cao 25mm
Công Suất Program 1200-2400 W
Dải tần: 35-1000 hz
Độ nhạy: 96,5 db
Nam châm: NEO
Mạng nhện đôi bằng silicone
Voice coil loa B&C SPEAKERS 18NBX100 được thiết kế có độ thông thoáng nhất định giúp bảo vệ loa.
Kích thước loa: 460 x 208 mm
Đường kính bắt ốc: 440mm
Khối lượng loa: 9.3 kg
BẢN VẼ:
Mua tại Shopee
Mua tại Tiki
Mua tại Lazada
Mua tại Tiktok- Màng lọc âm kim loại Altron MA-19B được thiết kế hoàn toàn bằng kim loại không gỉ, được phủ sơn tĩnh điện. Với bán kính màng lớn, sản phẩm cho hiệu quả lọc âm
Màn chắn tiêu âm Alctron PF-66 loại bỏ tạp âm từ phía sau, âm vang, triệt tiêu tạp âm giúp âm thanh thu vào sạch sẽ hơn. BỘ SẢN PHẨM BAO GỒM- 01 Màng chắn âm Alctron
BỘ CHUYỂN ĐỔI ÂM THANH DIGITAL SANG ANALOG KA-06 – ÂM ĐẦU RA TO, TRONG Chuyển đổi tín hiệu âm thanh từ các thiết bị như tivi, Android TV Box lên loa, amply khi chưa
HZ-400 là máy tạo hiệu ứng khói sương mù được trang bị một máy nén khí bên trong, không cần bảo dưỡng vì được thiết kế đặt biệt . HZ-400 được trang bị hai vòi
LOA RỜI SUB 5 TẤC B&C Xuất xứ : ITALIA Voice coil bằng đồng khổ lớn 4" (100mm) với chiều cao 25mm Công Suất Program 1200-2400 W Dải tần: 35-1000
Bo Phân Tần Full Đôi 3 Way CR-215X Thiết Kế Bo Phân Tần CR-215X CR-215X là bộ phân tần full đôi 3 way, thiết kế mới cải tiến vượt bậc so với mẫu bo trước, khắc
Bo Phân Tần Full Đơn CR-115X Thiết Kế Bo Phân Tần CR-115X Bộ phân tần CR-115X được nhập nguyên kiện từ nhà hãng, Quý khách hàng sẽ có cảm giác an tâm hơn khi sử dụng,
THÔNG SỐ KỸ THUẬT: - Dây Cáp dài: 2m, 3m - Đầu Jack mạ Niken để truyền tín hiệu vượt trội và độ bền cao - Dây dẫn đồng (OFC) không chứa oxy để tăng
THÔNG SỐ KỸ THUẬT: - Có kết cấu 3 lớp vật liệu tiêu âm đặc biệt, giảm thiểu âm thanh phát tán. - Kết cấu khe tiêu âm ở mặt sau phản xạ âm vọng
- EPP005 - EPP007 - EPP008 - Đế loa kiểm âm Alctron EPP005/ EPP007/ EPP008 có thể dùng như một thiết bị chống shock tương đương với shockmount của micro, đế loa kiểm
THÔNG SỐ KỸ THUẬT: - Có kết cấu 3 lớp vật liệu tiêu âm đặc biệt, giảm thiểu âm thanh phát tán. - Kết cấu khe tiêu âm ở mặt sau phản xạ âm
Ốp Case bảo vệ Earfun Air Pro 3 (Đen) (Bao Gồm Móc khóa) Chất liệu: Silicone Độ dày: 1.8mm Tính năng: Có móc khóa treo, Chống trầy xước, chống sốc, Hỗ trợ đậy cổng sạc
TÍNH NĂNG CƠ BẢN - Cáp dài 3m, lõi làm bằng đồng chất lượng cao, chống nhiễu tín hiệu, chống mòn. - Trang bị sợi chịu lực với vỏ pvc đàn hồi cao cấp. -
Nâng Tầm Chất Lượng Âm Thanh Của Bạn Với Bộ Lọc Nguồn Điện Sạch ROGTZ PS 308 Giới thiệu: ROGTZ PS 308 là bộ lọc nguồn điện sạch cao cấp, được thiết kế để mang
Mô tả: Khẩu độ: 20mm Thích hợp dòng: 15-19mm Cắm Kim Loại Chất Liệu: mạ Vàng trên đồng nguyên chất Chất liệu vỏ: Hợp kim Nhôm Không chất liệu kim loại: IEC: 10A 250V /
THÔNG SỐ KỸ THUẬT - Kích thước: 120 x 90 x 265 mm - Màu sắc: Đen + màu gỗ óc chó - Chất liệu: Gỗ óc chó + nhôm - Bảo vệ tai nghe, tránh thất lạc, rơi, hỏng hóc - Tích hợp chân đế khay gỗ đựng thêm đồ - Đồng bộ cùng các sản phẩm Premium Collection, làm đẹp không gian
BỘ LỌC NGUỒN ĐIỆN SẠCH CHỐNG NHI.ỄU AC8.8 CHUYÊN DÙNG CHO DÀN ÂM THANH HI-END CÔNG SUẤT 3000W. Wei.du.ka AC8.8 Power Strip 3000W LED Display Lighting Protection AC Power Outlet Audio Power Filter Purifier Conditioner
Bộ Đầu Jack nguồn âm thanh dùng cho Amplifer JAPAN + Model: P-029 (ĐỰC) / C-029 (CÁI) + Công suất tải điện: 250Volt-10Ampe/220Volt-15Ampe + Chất liệu vỏ ngoài: PVC Siêu Cứng + Phích cắm theo
Bùng nổ âm nhạc mọi lúc mọi nơi với Bộ Thu Bluetooth 5.0 BT-200-JA - Chiếc chìa khóa vạn năng cho mọi cuộc vui âm thanh của bạn! Bạn đang chìm đắm trong thế giới
Bạn đang chìm đắm trong thế giới âm nhạc đầy màu sắc nhưng lại bị gò bó bởi những sợi dây cáp lằng nhằng? Bạn muốn biến mọi không gian trở thành sân khấu âm
Bộ lọc nguồn điện sạch cao cấp AUDIO WEI.DUK.A AC2.2 - Ổ cắm lọc nguồn điện cho dàn âm thanh Wei.duka AC 2.2. Hifi W AC2.2 Audio Noise AC Power Conditioner Power Filter Power Purifier
DÂY MICRO DÀI 6M DÂY MỀM DẺO CỰC BỀN Dây tín hiệu dùng cho micro có dây kết nối amply, sound card, mixer, hoặc mixer bàn. Màu sắc: NÂU Chiều dài: 6M Chất liệu dây
Dây loa Audiomeca S30 mạ bạc cao cấp Trải nghiệm âm thanh vượt trội với thiết kế tinh tế và bền bỉ Thiết kế từ lõi đồng OFC tinh khiết và mạ bạc cao cấp
Độ bền nâng cao: Kết hợp vật liệu acrylic có độ bền cao và hợp kim nhôm, thiết kế bán trong suốt giúp tăng khả năng chống trầy xước. Thiết kế minh bạch về mặt công
Chống trầy xước và phong cách: Kết hợp vật liệu acrylic có độ bền cao và hợp kim nhôm để tạo ra vẻ ngoài trong suốt có khả năng chống trầy xước cao hơn. Màn hình
COWKING PS500 là biến áp CÔNG SUẤT THỰC 500W đảm bảo đủ nguồn điện cho cả bộ dàn âm thanh của ban. Một bộ dàn nghe nhạc tiêu chuẩn: Tv, amply, CD và DAC nghe
Bộ Đầu Jack nguồn âm thanh dùng cho Amplifer JAPAN + Model: P-029 (ĐỰC) / C-029 (CÁI) + Công suất tải điện: 250Volt-10Ampe/220Volt-15Ampe + Chất liệu vỏ ngoài: PVC Siêu Cứng + Phích cắm theo
Pipette tự động 1μl,10μl,20μl,100μl,200μl,1000μl, 5.000μl,10.000μl, (Micropipette-Ejector 121℃ autoclavable) Hãng: FCOMBIO-USA SX tại China Mã: P1,P10,P20,P100,P200,P1000,P5000,P10000 Dung tích điều chỉnh: 1uL to 10mL -------------------------- Đặc tính * Nút pipet trung tâm lớn và chức năng đẩy
- Bộ kiểm tra tín hiệu cáp âm thanh Alctron DB-4C có thể kiểm tra tới 8 loại dây dẫn khác nhau, bao gồm cả dây loa Speakon NL8. Là một thiết bị cần thiết cho bất
Sử dụng thuận tiện khi phát biểu meeting; họp báo; hội thả Ứng dụng cho phụ kiện phòng thu; ghi âm stereo và những nơi khá Kết cấu thép chất lượng cao, bền, sử dụng
Dây AV 1 đầu 3.5 mm ra 2 đầu AV (hoa sen) Kiwi bằng đồng bằng đồng – Siêu truyền dẫn, siêu bền : Dây kết nối 1 đầu 3.5mm ra 2 AV (hoa sen,
Trong quá trình sử dụng các loa treble không tránh khỏi việc bị cháy COIL vậy cần phải thay coil Với coil loa này người sử dụng hoàn toàn có thể tự thay ở nhà
HỌNG LOA TREBLE B&C SPEAKERS ME90 Họng 1.4 (36mm) Độ phủ ngang: 80° Độ phủ dọc: 60° Tải xuống được tới 900Hz Khối lượng: 1.4 kg Kích thước: 270 x 270 x138 mm
Bạn có thể tin tưởng vào Q2HD của mình để cung cấp video chất lượng cao và âm thanh nguyên bản mọi lúc mọi nơi.Đây chỉ là một số cách bạn có thể sử dụng:
Đường kính họng 2.0 inch (50mm) Công Suất (AES) 110 W Trở kháng 8 Ω Độ nhạy 108 dB Nam châm Ferrite Dãy tần số 500 - 20.000 Hz Màng loa Titanium Khối lượng tịnh 4.9 kg
Loa H-P - 1000 Dòng loa H-P cũng đã quá nổi tiếng khi được giới nuôi chim yến tin dùng và xem như là dòng đỉnh nhất trong ngành nuôi yến. Là dòng loa được
Cáp tín hiệu nhạc cụ KIK, 3mCáp Mono Jack to Mono Jack 3 mét Klotz là một loại Cáp chất lượng tuyệt vời phù hợp cho cả trên sân khấu và trong phòng thu.Cáp Klotz
Thông số sản phẩm bo phân tần CR-112X Model: Bo phân tần CR-112X (Crossover) công suất lớn chuyên Full đơn NHÃN HIỆU: MAXO – Bo mạch phân tần: 2 way – Kích thước bo mạch (W x
Alctron CT-8 là bộ test cáp tín hiệu thông minh, với khả năng kiểm tra tính liên tục tín hiệu của rất nhiều loại cáp, bao gồm:BNC, PHONO, DIM, SPEAKON, DMX 5 PINS, XLR, RJ45,
ĐẶC ĐIỂM NỔI BẬT Chân loa Marshall Thiết kế phòng khách tinh tế, hỗ trợ nghe nhạc tốt hơn Chân loa dành cho Marshall Stanmore, Woburn các dòng ( vui lòng chọn đúng size Chống
Củ Loa Bass 5 Tấc PA18FX1-29 CỦ LOA BASS 5 TẤC PA18FX1-29 – BASS CHUYÊN SUB SIÊU TO CÓ CÔNG SUẤT KHỦNG? Củ loa bass 5 tấc PA18FX1-29 thương hiệu MAXO, hàng nhập khẩu chính hãng cho
- Micro cài áo không dây Godox MoveLink II sử dụng sóng 2.4GHz hoạt động ổn định, mượt mà, kết hợp công nghệ khử ồn tiên tiến cho âm thanh trung thực, chất lượng cao. Thời
Vệ sinh tai nghe đều đặn là cực kỳ cần thiết để giữ cho chúng sạch sẽ và bảo vệ sức khỏe của bạn. Tai nghe tiếp xúc trực tiếp với tai và da đầu,
- Túi EVA form khung cứng chống sốc dầy dặn bảo vệ tai nghe hiệu quả - Mặt ngoài chống thấm ướt, mặt trong lớp lông nỉ chống trầy xước cho tai nghe - Kích
Sản phẩm được thiết kế riêng cho bao da tai nghe Beats Studio Buds Plus. Thiết kế tối giản với đường cắt góc bo tròn mềm mại ôm sát sản phẩm, lớp da bò thô
Sản phẩm được thiết kế riêng cho bao da tai nghe Bose Ultra Open Earbuds. Thiết kế tối giản với đường cắt góc bo tròn mềm mại ôm sát sản phẩm, lớp da bò thô
Bạn đang tìm kiếm giải pháp kết nối âm thanh không dây hoàn hảo cho mọi thiết bị của mình? Hãy đến với Bộ Thu Phát Âm Thanh Bluetooth 5.1 2 Trong 1 BT-03-JA đến
Bữa tiệc âm nhạc bùng nổ mọi lúc mọi nơi cùng Bộ Thu Bluetooth D60-JA - Phù thủy biến hóa âm thanh đỉnh cao! Bạn đang tìm kiếm giải pháp biến hóa âm thanh mọi
Nâng tầm trải nghiệm âm thanh của bạn với Bộ Thu Phát Âm Thanh Bluetooth 5.0 T-R22-JA Bạn đang tìm kiếm giải pháp kết nối âm thanh không dây hoàn hảo cho dàn loa, TV
Đầu chia giắc AV từ 1 cổng ra 2 cổng - Đưa ra 2 đường AV. - Xuất xứ: China - Bảo hành: 0 tháng ĐẦU CHIA AV 1 RA 2 Kết nối âm thanh
GIÁ TRÊN LÀ GIÁ 1 CÁI CỦ LOA BASS 16 RỜI CHUYÊN LẮP RÁP LOA KARAOKE, THAY THẾ NHỮNG BASS CŨ VÀ HƯ THÔNG TIN CHI TIẾT : ĐƯỜNG KÍNH CẢ VÀNH 17CM COIL 38
GIÁ TRÊN LÀ GIÁ 1 CÁI CỦ LOA BASS 16 RỜI CHUYÊN LẮP RÁP LOA KARAOKE, RÁP LOA KÉO THÔNG TIN CHI TIẾT : ĐƯỜNG KÍNH LỌT LÒNG 16CM COIL 38 TỪ 100 VIỀN VẢI
GIÁ TRÊN LÀ GIÁ 1 CÁI LOA TRUNG 16CM HỞ GÂN CAO SU HÀNG MỚI CAO CẤP ️LOA THIÊN VỀ TIẾNG TRUNG , LỜI CA , TIẾNG BASS VỪA ️LOA MANG LẠI LỜI CA RÕ
GIÁ TRÊN LÀ GIÁ 1 CÁI LOA TRUNG 16CM HỞ GÂN CAO SU HÀNG MỚI CAO CẤP ️LOA THIÊN VỀ TIẾNG TRUNG , LỜI CA , TIẾNG BASS VỪA ️LOA MANG LẠI LỜI CA RÕ
LOA BASS 30 RỜI HÀNG MỚI ( GIÁ 1 CÁI ) THÔNG TIN CHI TIẾT : COIL 51 TỪ 140 ️TRỞ KHÁNG 8 ÔM ️CÔNG SUẤT 300W ️MÀN VẢI, GÂN VẢI ️SƯỜN SẮT ️CHUYÊN LẮP
GIÁ TRÊN LÀ GIÁ 1 CÁI CỦ LOA BASS 20 RỜI CHUYÊN LẮP RÁP LOA KARAOKE GIA ĐÌNH - LOA KÉO - LOA DI ĐỘNG THÔNG TIN CHI TIẾT : ĐƯỜNG KÍNH : 20CM TRỞ
LOA BASS 30 RỜI HÀNG MỚI CAO CẤP THÔNG TIN CHI TIẾT : TỪ 140 COIL 51 SƯỜN NHÔM , MÀN VẢI TRỞ KHÁNG 8 OHM CÔNG SUẤT 300W ĐỘ NHẠY 96DB TIẾNG BASS CĂNG
Củ loa bass 20 rời , hàng nhập khẩu Chuyên lắp ráp loa karaoke, loa kéo, loa xách tay, thay thế những bass cũ và hư Thông tin chi tiết : Đường kính cả vành
GIÁ TRÊN LÀ GIÁ 1 CÁI Thông số kỹ thuật: Đường kính: 20cm Coil: 38mm Từ: 100mm Màn cao su chất lượng cao Hàng nhập khẩu Indonesia Với thiết kế hàng nhập khẩu mới, sản
👁️ 1060 | ⌚2025-10-06 05:19:15.478
GMUSIC | B&C SPEAKERS | Trên tay loa rời 18RBX100 chuyên sub 5 tấc hàng chính hãng B&C Speakers.
GMUSIC | B&C SPEAKERS | Trên tay loa rời chuyên sub 5 tấc từ Neodymium 18DS100 chính hãng.
Chi Tiết Bass Rời 30 Từ Neo, Thương Hiệu B&C Speaker Sản Xuất Italia - LH: 0969.019.268
Bass sub 50 b&c italia ý nòi loa zin đẹp lh 0387423676
B&C - SUB 18DS100 - Made in Italy
SUB B&C - 18NW100 - Made in Italy

GMUSIC | B&C SPEAKERS | Trên tay loa rời 18RBX100 chuyên sub 5 tấc hàng chính hãng B&C Speakers.
GMUSIC | B&C SPEAKERS | Trên tay loa rời chuyên sub 5 tấc từ Neodymium 18DS100 chính hãng.
Chi Tiết Bass Rời 30 Từ Neo, Thương Hiệu B&C Speaker Sản Xuất Italia - LH: 0969.019.268
Bass sub 50 b&c italia ý nòi loa zin đẹp lh 0387423676
B&C - SUB 18DS100 - Made in Italy
SUB B&C - 18NW100 - Made in Italy

+ CHI TIẾT - 100% da bò tự nhiên - Chất liệu: Da bò Pebbled mềm mại - Màu da: Vàng cam - Kiểu dáng: Đứng – Gập 2 - Khóa kéo: Không - Kích
4P's có nghĩa "For Peace" - cho Hòa Bình tràn ngập trên toàn thế giới. Tham vọng ở Pizza 4P's không chỉ đơn giản là "Một nhà hàng Pizza tuyệt vời" mà chúng tôi có
Le Monde Steak là hệ thống Bít Tết theo phong cách thành thị Pháp đầu tiên tại Việt Nam, nơi thực khách tự do trải nghiệm những món ăn mang hương vị Pháp đầy lôi
Sôi nổi, phóng khoáng, vui nhộn chính là tinh thần mà Yakimono – Quán thịt nướng Nhật Bản muốn mang đến cho bạn. Trái ngược với khung cảnh yên bình bên ngoài, chỉ cần đẩy
Hoa Yêu Thương là bông hoa được ghép từ nhiều trái tim với mong muốn kêu gọi mọi người hãy chia sẻ yêu thương nhiều hơn. Cuộc sống sẽ tốt hơn rất nhiều nếu chúng
Gyu-Kaku nhập thịt tươi và cắt từng lát một tại nhà hàng để đảm bảo độ tươi ngon. Nước tương và miso truyền thống Nhật Bản chúng tôi dùng cho sốt và ướp thịt kĩ
Hạn sử dụng: 2025-12-31 00:00:00 Potico là điện hoa chuyên cung cấp bó hoa yêu thương và quà tặng ý nghĩa hàng đầu tại Việt Nam. Potico luôn miễn phí giao hàng trong khu vực
Nếu bạn là người Hàn Quốc sinh sống hoặc làm việc xa nhà, bạn nên ghé qua Butoomac để cảm nhận hương vị quê hương. Đây là những nhà hàng rất nổi tiếng ở Hà
Ra mắt thương hiệu tại Hà Nội với cơ sở đầu tiên Hàng Bông vào năm 2016, hiện nay, Don Chicken đã có 14 cửa hàng tại Hà Nội, Quảng Ninh, Bắc Ninh, Thanh Hóa
MIYEN - Nét chấm phá Nhật Bản tinh tế đầy duy mỹ. Miyen Japanese Fusion Cuisine mong muốn đem đến cho Quý Thực khách trải nghiệm bầu không khí giao thời của một đất nước
Với phương châm: “Nơi ẩm thực Hồng Kông được tôn vinh và chăm chút. Chúng tôi mang đến quý khách sự trải nghiệm tuyệt đối từ vị giác đến văn hóa ẩm thực”. Baoz Dimsum
A Mà Kitchen - Stay Vietnam, Taste HongKong Trở về Hồng Kông 40 năm trước, A Mà - Bà Nội của một gia đình Trung Hoa là người luôn tận tụy chăm lo từng bữa
Thương hiệu bánh donut thơm ngon, và những ly cà phê đậm đà, mang đến không gian thân thiện để kết nối mọi người. CRISPY DONUTS luôn cập nhật hương vị mới, đảm bảo mỗi
Đến Hệ thống tiNiWorld, các bậc phụ huynh hoàn toàn có thể yên tâm vì con yêu của mình được bảo vệ an toàn nhất. Tất cả các thiết bị đồ chơi tại đây đều
BORNGA VIỆT NAM: Là chi nhánh thuộc thương hiệu và chuỗi hệ thống nhà hàng nổi tiếng toàn cầu Bornga, Bornga Việt Nam hân hạnh phục vụ những món ăn mang đậm nét truyền thống
Otoké Chicken tự hào là thương hiệu gà rán của Việt Nam - được đầu tư và quản lý bởi Quỹ đầu tư VI (VIGroup) – một công ty quản lý quỹ chuyên nghiệp, chuyên
Với sự ra đời của cửa hàng đầu tiên tại Việt Nam vào năm 2007, chuỗi cửa hàng TOUS les JOURS khẳng định vị trí dẫn đầu trong phân khúc cao cấp bánh và cà
Bạn đang lên kế hoạch cho một bữa tiệc ấm cúng, một buổi hẹn hò hay một buổi liên hoan cuối năm? Đừng bỏ lỡ voucher tiền mặt từ Ssamjang - Nướng & Cuốn Chợ
Shang Chi - Taiwanese Rotary Hotpot là con tàu trải nghiệm và khám phá thiên đường lẩu Đài Loan đầy màu sắc và đa dạng. Shang Chi cũng là sự giao thoa giữa yếu tố
Không gian rộng rãi và sạch sẽ, nhân viên thân thiện, nhiệt tình chắc chắn là điểm đến lý tưởng cho một cuộc hẹn tại Spicy Box. Đến với Spicy Box bạn sẽ được hóa